白いトトロ
創作意欲の創作意欲による創作意欲のためのページ ~GM板キットとクラフトロボによる鉄道模型製作~
[2] [3] [4] [5] [6] [7] [8] [9] [10] [11] [12]
[PR]
×
[PR]上記の広告は3ヶ月以上新規記事投稿のないブログに表示されています。新しい記事を書く事で広告が消えます。
リゾートラインの製作 その3
中間車の量産に入ります。
窓抜きで大量のアノ形が出ます。駅前の地面に敷き詰めて模様にするとおもしろいかも。
両面テープにより組み立てていきます。戸袋にまず貼ります。
出入口の位置決めをします。センターをケガいておいて合せます。今回は出入口部分もスカート受けのため足を伸ばしています。
出入口の位置が決まれば残りのブロックも両面テープで貼りつけていきます。ブロック側にテープを貼っています。両側に台紙がある両面テープをプラ板に貼っておいてテープもろともロボでカットしてしまえばかなり効率的になるかもしれません。
スカートを貼り付けて完成です。慣れてくると一枚10分程度でできます。楕円のルーバは結局今回はデカール表現にするので位置だけカットしておきました。
量産効果はロボならではですね。速く均一にできます。
外板が薄いので若干のひずみがありますが、実車もそうなのでこれはこれでいいかも?(組み立てて継ぎ目仕上げて塗装するとわからなくなります)
ハコに組み立てた状態です。
クーラ部分も今回は設計変更せずちょっとめんどくさい構造のままにしました。写真は屋根のスキマとか修正するのにプラ片を接着しています。継ぎ目の修正をなくすには側と屋根を一体にしてコの字に折り曲げて外から被せる構造にするとできそうですが寸法合せるの大変そう。。。とりあえずは一本作ったあとに試してみようかと思います。クラフトロボで車体作る場合の最適な構造を追求していきたいと思います。
<訪問いただいた方へ>
にほんぶろぐ村に参加しています!
よろしければクリックしていただければとおもいます。
いろいろな方のブログが見れます♪
↓ご協力よろしくお願いいたします。

にほんブログ村

にほんブログ村
PR
リゾートラインの製作 その2
ハコにしていきます。妻は貫通路は省略してホロを取り付けてごまかす作戦です。
屋根を乗せます。肩のRはエバーグリーンのクウォーターラウンド棒を使います。クーラが乗る部分はGMのインバータクーラに合せて一段窪ませるという手の込んだ構造にしてしまいましたが、実際はうすっぺらいのがのっかっている感じなので平板で作ってしまったほうがよかったかも。室内灯もつけにくいし。。。
肩と屋根の継ぎ目を瞬間接着材で埋めて仕上げます。アイボリーに塗装した状態です。ちょっと仕上げが甘かったか。。AU711をつなげて作ったクーラをはめこんでいます。
ブルーの波と、スカートを塗装した状態です。マスキングテープをクラフトロボで波の形にカットして使用することで均一にできます。実はクラフトロボの一番使える点かもしれません。
とりあえず内張りとハコの補強を工夫すれば車体も十分作れることがわかりました。ハコになるまでペラッペラの外板に気は使いますが。。上手いこと骨組みを設計できるかがポイントになると思います。
<訪問いただいた方へ>
にほんぶろぐ村に参加しています!
よろしければクリックしていただければとおもいます。
いろいろな方のブログが見れます♪
↓ご協力よろしくお願いいたします。

にほんブログ村

にほんブログ村
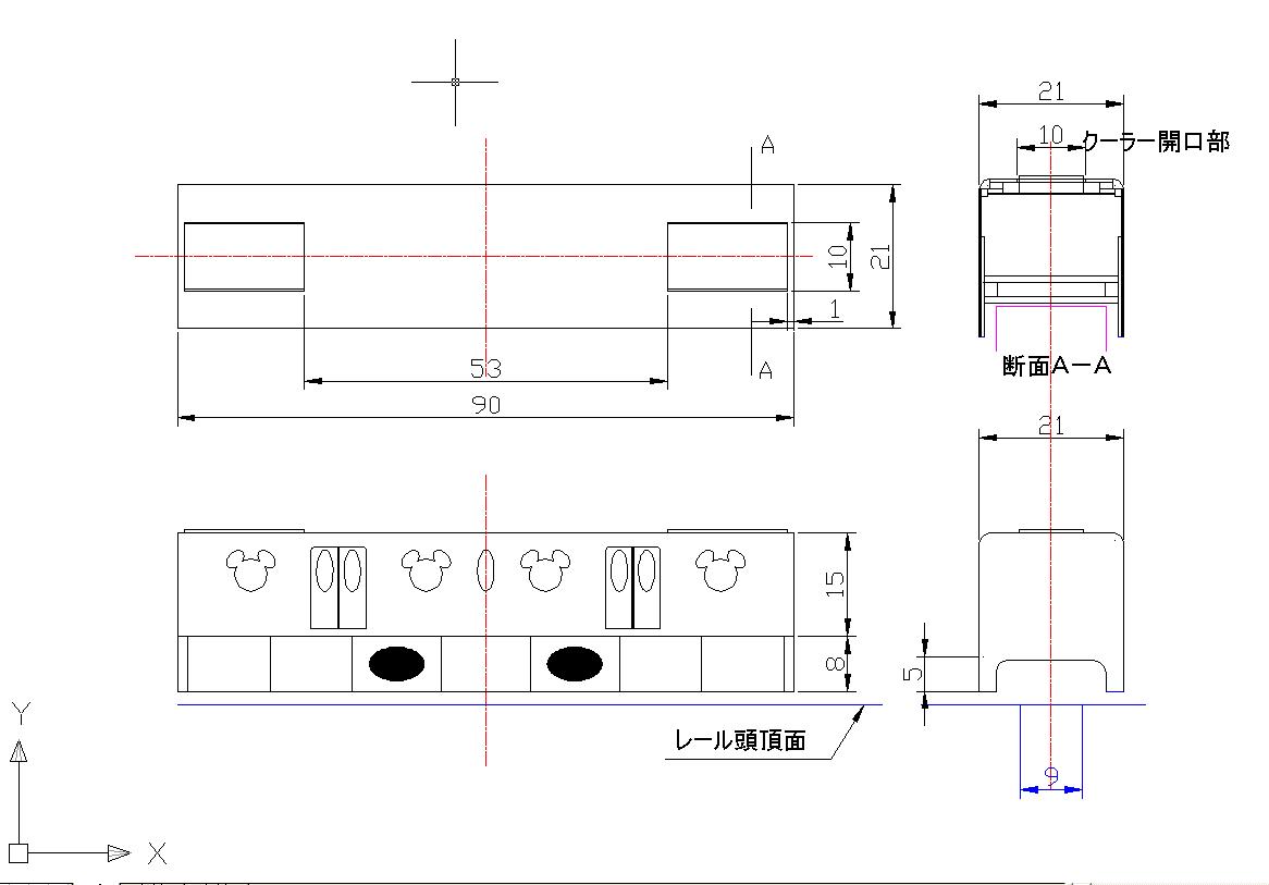
リゾートラインの製作 その1
というわけで?
今回はクラフトロボを使って車体丸々作ります。
どうせならクラフトロボならでは車を選びました。

まずは設計します。フルスクラッチは設計で出来が決まります。使用する動力ユニットのサイズを考慮して、実車のサイドビュー写真を見ながら寸法を決めていきます。今回はモノレールの車体を無理やり台車をつけてレールを走らせる作戦ですので、100系新幹線の二階建て車の寸法を参考に車両限界を決めました。スカートに隠れる台車の旋回の検討が面倒でしたが、なんとかR280や引込み線のS字を通過できるようにしました。窓のアノ形は楕円と円を組み合わせた私のオリジナルの寸法です。。。。
いつも通りまずは中間車を一両試作します。

側外板とドアを切り出した状態です。さすがクラフトロボ。抜くのにコツが入る時がありますが、曲線でもさくさく図面通りなかなかの精度で切ってくれます。

外板だけではペラッペラですので、真鍮キットのように内張りを造ります、ドアは下まで伸ばしても良いので次の車から設計変更します。窓ガラスを貼るために窓まわりは四角くくりぬいておきます。


内張りと外張りを貼り付けます。接着材でもいいのですが、スチロール系だとつけすぎるとみるみる溶けてきますので外板の貼り合わせはゴム系が無難です。今回は接着には両面テープを使い接着材はみだし防止とひずみ防止を狙っています。…微調整できないので一発で決めないといけないのが難点ですが。。仕上がりはキレイです。


スカートまで張り合わせた状態です。窓下も伸ばしてスカートの分割線をスジ彫りにするとさらに作りやすくなりますので量産では改良します。裏側には最後にt0.5のプラ板と軒に1mmの角棒を貼り付けて剛性を確保しました。スカートのルーバはデカールで表現するために位置だけ切り込んでいますが、スジを入れてスミ入れするとデカールも省略できるかと。。

角棒の接着はスチロール系接着材をさっと塗って接着しましたが、つけすぎるとすぐに凹んでしまいます。。。ゴム系を塗って位置決めして瞬間接着材で点付けで補強が一番かと思います。この程度ならどうせ軒のR部分スキマを仕上げるので埋められますからセフセフ。
<訪問いただいた方へ>
にほんぶろぐ村に参加しています!
よろしければクリックしていただければとおもいます。
いろいろな方のブログが見れます♪
↓ご協力よろしくお願いいたします。

にほんブログ村

にほんブログ村
今回はクラフトロボを使って車体丸々作ります。
どうせならクラフトロボならでは車を選びました。
まずは設計します。フルスクラッチは設計で出来が決まります。使用する動力ユニットのサイズを考慮して、実車のサイドビュー写真を見ながら寸法を決めていきます。今回はモノレールの車体を無理やり台車をつけてレールを走らせる作戦ですので、100系新幹線の二階建て車の寸法を参考に車両限界を決めました。スカートに隠れる台車の旋回の検討が面倒でしたが、なんとかR280や引込み線のS字を通過できるようにしました。窓のアノ形は楕円と円を組み合わせた私のオリジナルの寸法です。。。。
いつも通りまずは中間車を一両試作します。
側外板とドアを切り出した状態です。さすがクラフトロボ。抜くのにコツが入る時がありますが、曲線でもさくさく図面通りなかなかの精度で切ってくれます。
外板だけではペラッペラですので、真鍮キットのように内張りを造ります、ドアは下まで伸ばしても良いので次の車から設計変更します。窓ガラスを貼るために窓まわりは四角くくりぬいておきます。
内張りと外張りを貼り付けます。接着材でもいいのですが、スチロール系だとつけすぎるとみるみる溶けてきますので外板の貼り合わせはゴム系が無難です。今回は接着には両面テープを使い接着材はみだし防止とひずみ防止を狙っています。…微調整できないので一発で決めないといけないのが難点ですが。。仕上がりはキレイです。
スカートまで張り合わせた状態です。窓下も伸ばしてスカートの分割線をスジ彫りにするとさらに作りやすくなりますので量産では改良します。裏側には最後にt0.5のプラ板と軒に1mmの角棒を貼り付けて剛性を確保しました。スカートのルーバはデカールで表現するために位置だけ切り込んでいますが、スジを入れてスミ入れするとデカールも省略できるかと。。
角棒の接着はスチロール系接着材をさっと塗って接着しましたが、つけすぎるとすぐに凹んでしまいます。。。ゴム系を塗って位置決めして瞬間接着材で点付けで補強が一番かと思います。この程度ならどうせ軒のR部分スキマを仕上げるので埋められますからセフセフ。
<訪問いただいた方へ>
にほんぶろぐ村に参加しています!
よろしければクリックしていただければとおもいます。
いろいろな方のブログが見れます♪
↓ご協力よろしくお願いいたします。

にほんブログ村

にほんブログ村
クラフトロボ
今回はクラフトロボについて書きます。
去年導入して大体1年くらいが経ちます。

購入したのはCC330-20。
本来は紙を切る機械なのでペーパー車体を製作している人にとっては鬼に機関銃といってもいいのですが、ペーパーって簡単なようで難しい素材なので本体価格2万ちょいと天秤をかけると投資を躊躇する人も多いのではないかと。。。
あ、ちなみに決してクラフトロボのステマではありません。回し者でもありません^^;
私が購入を決意したのはt0.14のプラシートなら問題なく切れるということがわかったからです。
t0.3のプラ板が切れれば…という意見をよくみますが、ディディールを考えるとNではt0.14で十分だと思います。薄けりゃ二枚カットして張り合わせればいいだけですので。それこそロボですので同じ寸法に切りますし。
あと薄いのには窓ガラスをはめ込みにしなくても裏から透明塩ビ板貼るだけでツライチ感が出せます。
というわけでE5系が発売され話題になっていた時期に思い切って決断してこいつを買いました。
幸い私はCADも操作を慣れていたので、そこらへんのハードルも低かったのですが。
ちょうどキハ189を作っていたので、まずはパーツから適用していき最終的にハコをつくろうかと。。。

t0.14を0.5mm幅で出入口フレームを切り出しました。0.2mm程度くらいまで精度は出せますので十分使えます。

フレームと引き戸を切り出してGMキットと組み合わせた様子です。ほとんど違和感がありません。タミヤの緑キャップで適量をさらっとなでればしっかりキレイにくっつきます。ドアはそのままではペラペラなので裏にt0.3の補強板を貼っています。

ホロ枠なんかもかなり小さな長方形を切り出すこともできます。多少つぶれてしまいますがこれくらいつくれれば上出来かと。

床下機器なんかも作れます。さすがにメッシュのある機器は厳しいですがハコものはいい感じです。同じものをずらっとそろえられるのはロボならではです。
自作で製品に近づけるには、いかに均一にそろえられるかだと思います。寸法をある許容範囲内に収めて直角、並行をしっかりだせばバランスがよくなると思います。ハイパーディティールじゃなくてもこの点を押さえればかなり見栄えはよいかと。。。あと、ドアなんか特殊な形してる車とかも沢山切れるので最適だと思います。ドアの窓って編成で見ると多いので手加工でそろえるの大変ですし、ビシッと決まってると映えます。
というわけでキハ189でパーツに適用するのは成功したので、次回はクラフトロボで車体を作った製作記を書こうと思います。とにかくペラッペラの板をいかに歪ませずに作れるかがポイントになります。
…あと、クラフトロボの最大の利点はt0.14を切り出せることじゃなくて、マスキングテープを切れることだと思います。細い帯なんか一瞬で大量に均一に切ってくれますし、曲線のマスキングもがんばって図面書けばキレイに切れます。ある程度の大きさならJRマークなんかも切れます。
導入に迷ってる方に参考になれば幸いです。
もしこのブログを見ていただいた方や不幸にしてクラフトロボで検索してたどり着いてしまった方へ。。。
こんな使い方もあるよ~とか、クラフトロボで製作した作品を見せていただければうれしいです。
よろしくお願いします。
<訪問いただいた方へ>
にほんぶろぐ村に参加しています!
よろしければクリックしていただければとおもいます。
いろいろな方のブログが見れます♪
↓ご協力よろしくお願いいたします。

にほんブログ村

にほんブログ村
去年導入して大体1年くらいが経ちます。
購入したのはCC330-20。
本来は紙を切る機械なのでペーパー車体を製作している人にとっては鬼に機関銃といってもいいのですが、ペーパーって簡単なようで難しい素材なので本体価格2万ちょいと天秤をかけると投資を躊躇する人も多いのではないかと。。。
あ、ちなみに決してクラフトロボのステマではありません。回し者でもありません^^;
私が購入を決意したのはt0.14のプラシートなら問題なく切れるということがわかったからです。
t0.3のプラ板が切れれば…という意見をよくみますが、ディディールを考えるとNではt0.14で十分だと思います。薄けりゃ二枚カットして張り合わせればいいだけですので。それこそロボですので同じ寸法に切りますし。
あと薄いのには窓ガラスをはめ込みにしなくても裏から透明塩ビ板貼るだけでツライチ感が出せます。
というわけでE5系が発売され話題になっていた時期に思い切って決断してこいつを買いました。
幸い私はCADも操作を慣れていたので、そこらへんのハードルも低かったのですが。
ちょうどキハ189を作っていたので、まずはパーツから適用していき最終的にハコをつくろうかと。。。
t0.14を0.5mm幅で出入口フレームを切り出しました。0.2mm程度くらいまで精度は出せますので十分使えます。
フレームと引き戸を切り出してGMキットと組み合わせた様子です。ほとんど違和感がありません。タミヤの緑キャップで適量をさらっとなでればしっかりキレイにくっつきます。ドアはそのままではペラペラなので裏にt0.3の補強板を貼っています。
ホロ枠なんかもかなり小さな長方形を切り出すこともできます。多少つぶれてしまいますがこれくらいつくれれば上出来かと。
床下機器なんかも作れます。さすがにメッシュのある機器は厳しいですがハコものはいい感じです。同じものをずらっとそろえられるのはロボならではです。
自作で製品に近づけるには、いかに均一にそろえられるかだと思います。寸法をある許容範囲内に収めて直角、並行をしっかりだせばバランスがよくなると思います。ハイパーディティールじゃなくてもこの点を押さえればかなり見栄えはよいかと。。。あと、ドアなんか特殊な形してる車とかも沢山切れるので最適だと思います。ドアの窓って編成で見ると多いので手加工でそろえるの大変ですし、ビシッと決まってると映えます。
というわけでキハ189でパーツに適用するのは成功したので、次回はクラフトロボで車体を作った製作記を書こうと思います。とにかくペラッペラの板をいかに歪ませずに作れるかがポイントになります。
…あと、クラフトロボの最大の利点はt0.14を切り出せることじゃなくて、マスキングテープを切れることだと思います。細い帯なんか一瞬で大量に均一に切ってくれますし、曲線のマスキングもがんばって図面書けばキレイに切れます。ある程度の大きさならJRマークなんかも切れます。
導入に迷ってる方に参考になれば幸いです。
もしこのブログを見ていただいた方や不幸にしてクラフトロボで検索してたどり着いてしまった方へ。。。
こんな使い方もあるよ~とか、クラフトロボで製作した作品を見せていただければうれしいです。
よろしくお願いします。
<訪問いただいた方へ>
にほんぶろぐ村に参加しています!
よろしければクリックしていただければとおもいます。
いろいろな方のブログが見れます♪
↓ご協力よろしくお願いいたします。

にほんブログ村

にほんブログ村
ゆりかもめ7000系一次車タイプの製作 その9 完成
完成品紹介です。

ちっちゃいとは言えなかなか手ごわかったです。でも作ってて楽しかったです。新交通製作のノウハウを得ました。

ヘッド/テールライトが点灯します。両先頭車でオデコの広さが微妙にちがってしまったorz このあたりキハ189もそうでしたがクセなんでしょうか。。。先頭は3両作るといいのかなぁ。。

先頭車サイドビューです。点検フタはデカールで表現しました。

中間車(M車)です。動力はチビ凸のものを使用し、トラクションを稼ぐために若干ウェイトを追加しました。集電シューはそれっぽくプラシート片で作って接着しています。


トップナンバーの編成にしています。7011-7012-…-7016となります。

高架を走らせるとそれっぽく見えます。先頭の窓ガラスがうまくいったかな。

ロゴがついてる車です。実車はここの部分は何のスペースなんだろ?白文字が入る部分(ロゴ、車番)は極力窓周りの紺に色を合わせて印刷したホワイトデカールで表現しています。

試作したプラグドア。自動化まで後一歩だったのですが。。一応手動では動きます。またいつか挑戦したいと思います。681系とかの前面貫通に応用できるかな?

レールを走ってる時はなかなかシュールです。貸しレイアウトで高架線を走ってると違和感ありませんが。また走行動画を撮ったらアップしようと思います。市電保存館のレイアウトがなにげに似合う気がしますが。
今回でゆりかもめ製作記は終了です。ご覧いただいた方々、ありがとうございました。
つぎはなんかしらの旅行記を挟むかリゾートライン製作記かな。
<訪問いただいた方へ>
にほんぶろぐ村に参加しています!
よろしければクリックしていただければとおもいます。
いろいろな方のブログが見れます♪
↓ご協力よろしくお願いいたします。

にほんブログ村

にほんブログ村
ちっちゃいとは言えなかなか手ごわかったです。でも作ってて楽しかったです。新交通製作のノウハウを得ました。
ヘッド/テールライトが点灯します。両先頭車でオデコの広さが微妙にちがってしまったorz このあたりキハ189もそうでしたがクセなんでしょうか。。。先頭は3両作るといいのかなぁ。。
先頭車サイドビューです。点検フタはデカールで表現しました。
中間車(M車)です。動力はチビ凸のものを使用し、トラクションを稼ぐために若干ウェイトを追加しました。集電シューはそれっぽくプラシート片で作って接着しています。
トップナンバーの編成にしています。7011-7012-…-7016となります。
高架を走らせるとそれっぽく見えます。先頭の窓ガラスがうまくいったかな。
ロゴがついてる車です。実車はここの部分は何のスペースなんだろ?白文字が入る部分(ロゴ、車番)は極力窓周りの紺に色を合わせて印刷したホワイトデカールで表現しています。
試作したプラグドア。自動化まで後一歩だったのですが。。一応手動では動きます。またいつか挑戦したいと思います。681系とかの前面貫通に応用できるかな?
レールを走ってる時はなかなかシュールです。貸しレイアウトで高架線を走ってると違和感ありませんが。また走行動画を撮ったらアップしようと思います。市電保存館のレイアウトがなにげに似合う気がしますが。
今回でゆりかもめ製作記は終了です。ご覧いただいた方々、ありがとうございました。
つぎはなんかしらの旅行記を挟むかリゾートライン製作記かな。
<訪問いただいた方へ>
にほんぶろぐ村に参加しています!
よろしければクリックしていただければとおもいます。
いろいろな方のブログが見れます♪
↓ご協力よろしくお願いいたします。

にほんブログ村

にほんブログ村
カウンター
カレンダー
09 | 2025/10 | 11 |
S | M | T | W | T | F | S |
---|---|---|---|---|---|---|
1 | 2 | 3 | 4 | |||
5 | 6 | 7 | 8 | 9 | 10 | 11 |
12 | 13 | 14 | 15 | 16 | 17 | 18 |
19 | 20 | 21 | 22 | 23 | 24 | 25 |
26 | 27 | 28 | 29 | 30 | 31 |
プロフィール
HN:
白いトトロ
年齢:
43
性別:
非公開
誕生日:
1982/06/16
職業:
メジャーリーガー
趣味:
金魚すくい
カテゴリー
最新記事
(01/14)
(01/05)
(01/03)
(01/03)
(01/01)
最古記事
(02/02)
(02/03)
(02/03)
(02/04)
(02/06)
ブログ内検索
フリーエリア
最新トラックバック
アクセス解析